创意无极限,仪表大发明。今天为大家介绍一项国家发明授权专利——电能表检测装置。该专利由国家电网公司申请,并于2017年11月17日获得授权公告。
内容说明
本发明涉及检测装置领域,尤其涉及一种结构简单、检测效果好的电能表检测装置。
发明背景
电能表是电力企业计量电力用户用电多少的计量器具,保证电能表的准确计量,是为了对电能表用户的负责,也将直接关系到相关电力企业的经济效益。随着我国经济的不断快速发展,人们的物质生活水平得到了很大提高,对电力的需求也越来越重。用户在新电能表使用之前或者旧电能表使用之后,都要对其进行检测或者回收,传统检测装置使用效果差,而且检测结果的准确性不高。
发明内容
为了克服现有技术的不足,本发明提出了一种结构简单、检测效果好的电能表检测装置。

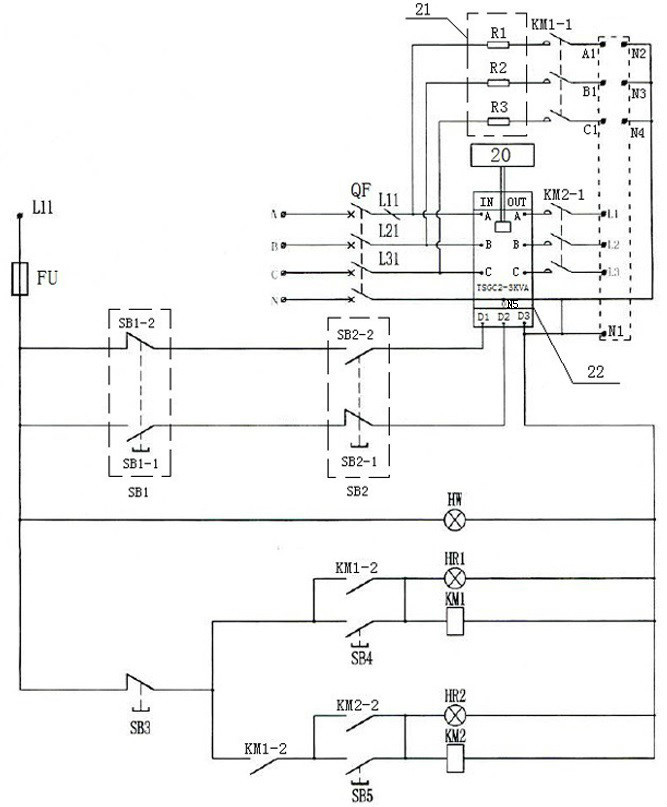
图为本发明所涉及的电能表检测装置的电气原理示意图
为了实现上述目的,本发明提出了一种电能表检测装置,包括柜体,所述柜体的下部与地面垂直,所述柜体的中部与所述柜体的下部呈120~140度角,所述柜体的上部与中部呈“L”字形;其中所述柜体下部的侧面还设有用于插接外部380V电源的电源插头;所述柜体的中部设有抽屉;所述柜体上部的前表面上设有用于挂接待测电能表的支柱、第一点动按钮、第二点动按钮、第三点动按钮、第四点动按钮、第五点动按钮、白色指示灯、第一红色指示灯、第二红色指示灯、电压显示器以及可掀起的盖板;所述柜体内部还设有电气单元,所述第一点动按钮、第二点动按钮、第三点动按钮、第四点动按钮、第五点动按钮、白色指示灯、第一红色指示灯、第二红色指示灯以及电压显示器均与所述电气单元相连接;所述电气单元包括熔断器、断路器、调压器、波纹电阻器、第一接触器以及第二接触器,其中所述波纹电阻器包括三个波纹电阻,所述断路器上口的A、B、C三相接口以及零线接口连接至所述电源插头。
所述断路器下口的A、B、C三相与所述调压器的输入端相连接,所述断路器下口的零线接口连接至所述调压器的零线接线端,所述调压器的输出端的A、B、C三相分别连接至所述第二接触器主触点的一端,所述第二接触器主触点的另一端分别引出第四接线端,第五接线端以及第六接线端,从所述断路器下口的A相、B相,C相分别引出第一波纹电阻、第二波纹电阻、第三波纹电阻连接至所述第一接触器主触点的一端,所述第一接触器主触点的另一端分别引出第一接线端、第二接线端和第三接线端,从所述调压器的零线接线端分别引出第七接线端、第八接线端、第九接线端和第十接线端,上述十个接线端设置于所述柜体中部的抽屉内,所述调压器还与所述电压显示器相连接;从所述断路器下口A相还引出导线与所述熔断器相连接,从所述熔断器引出导线经所述白色指示灯连接至所述调压器的零线接线端,从所述熔断器还分别引出导线连接至所述第一点动按钮的第一触点和第二触点。
所述第一点动按钮的第一触点经所述第二点动按钮的第一触点连接至所述调压器的第二端口,所述第一点动按钮的第二触点经第二点动按钮的第二触点连接至所述调压器的第一端口,所述调压器的第三端口连接至所述调压器的零线接线端;从所述熔断器还引出导线连接至所述第三点动按钮的一端,所述第三点动按钮的另一端分为两路,第一路连接至并联的第四点动按钮和第一接触器辅助触点;上述并联电路与并联的第一接触器线圈和第一红色指示灯相串联后引出导线连接至所述调压器的零线接线端;第二路经第一接触器辅助触点连接至并联的第五点动按钮和第二接触器辅助触点;上述并联电路与并联的第二接触器线圈和第二红色指示灯相串联后引出导线连接至所述调压器的零线接线端。
优选的是,所述柜体下部的底端设有四个脚轮。所述柜体上部的前表面上还设有温湿度显示器。所述调压器为自耦式调压器。所述第一点动按钮的第一触点和第二点动按钮的第二触点的初始状态为断开状态,所述第一点动按钮的第二触点和第二点动按钮的第一触点的初始状态为闭合状态,所述第三点动按钮的初始状态为闭合状态,所述第四点动按钮的初始状态为断开状态,所述第五点动按钮的初始状态为断开状态。
本发明的该方案的有益效果在于上述电能表检测装置集接线、检测于一体,结构简单、检测效果好,并且能够移动。
如需进一步了解,请下载该专利完整说明书。
更多仪表技术专利最新动态,请持续关注
相关资料下载:[发明授权] 电能表检测装置.pdf