创意无极限,仪表大发明。今天为大家介绍一项国家发明授权专利——一种电表。该专利由诺思泰(天津)科技有限公司申请,并于2017年10月24日获得授权公告。
内容说明
本实用新型属于电能测量仪器技术领域,尤其是涉及一种电表。
发明背景
在古巴及其他美洲国家由于该地区电网电压和频率不同于中国,使用的电表也不同,中国用的电表应用在由两相110V、60HZ的线路组成的220V的电路中,美洲国家的家庭使用110V和220V的家用电器,美洲国家的家庭电费是每月收取一次,即支付上一个月的电费,而在中国电费是预付的。现如今在美洲一些国家,例如古巴,电费收取方式为手动抄表收取,电表自动化将极大提高测量系统的效率。
发明内容
有鉴于此,本实用新型旨在提出一种电表,可以测量经过两相110V线路电量的电表,并且拥有红外线通信功能,便于电力公司收取电费自动化。
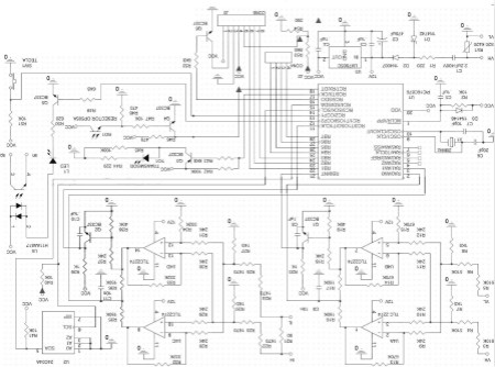
为达到上述目的,本实用新型的技术方案是这样实现的:一种电表,包括外壳,所述外壳内设有电路板,电路板上集成有电压测量电路、电流测量电路、微控制器、E2PROM存储器、红外通信电路以及显示电路,所述电压测量电路、电流测量电路、E2PROM存储器、红外通信电路以及显示电路均通过管脚与所述微控制器连接。

图为本实用新型实施例所述的电表的电路示意图
进一步的,所述微控制器型号为PIC16C876。所述电压测量电路通过RA0/AN0管脚、RB0/INT管脚与所述微控制器连接。所述电流测量电路通过RA1/AN1管脚、RC0/T1OSO/T1CLK管脚与所述微控制器连接。所述E2PROM存储器通过RC3/SCK/SCL管脚、RC4/SDI/SDA 管脚与所述微控制器连接红外通信电路通过RC2/CCP1管脚、RC6/TX/CK管脚、RC7/RX/DT管脚、RC1/T1OSI/CCP2管脚与所述微控制器连接。所述显示电路通过RC5/SDO管脚与所述微控制器连接。
相对于现有技术,本实用新型所述的一种电表具有以下优势:本实用新型所述的电表用于读取两相110V、频率60HZ线路的电压和电流,通过微控制器来获取电压电流参数,计算电网连接的家用电器消耗的功率,用户可通过LCD显示器获取消耗的电量数据。显示屏上显示的数据会储存在E2PROM 里,避免在断电时数据丢失,再次通电后,显示屏会显示储存在储存器里的最后一个数据。
如需进一步了解,请下载该专利完整说明书。
更多仪表技术专利最新动态,请持续关注
相关资料下载:[实用新型] 一种电表.pdf